Product Summary
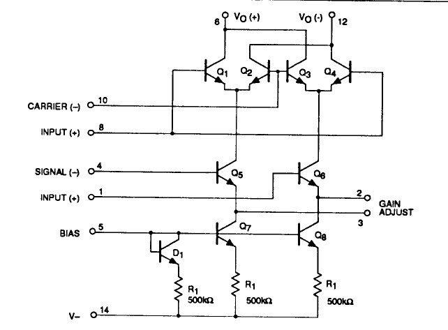
The MC1596G is a monolithic double-balanced modulator/demodulator designed for use where the output voltage is a product of an input voltage (signal) and a switched function (carrier). The MC1596G will operate over the full military temperature range of -55 to +125℃. The MC1596G is intended for applications within the range of 0 to +70℃.
Parametrics
MC1596G absolute maximum ratings: (1)Applied voltage: 30V; (2)Differential input signal: ±5.0 V; (3)Vz-V, V3-V4 Input signal: 5.0V; (4)Is Bias current: 10mA; (5)Pd Maximum power dissipation, TA=25℃ (still-air): 1190mW; (6)Ta Operating temperature range: -55 to+125℃; (7)Tstg Storage temperature range: -65 to+150℃.
Features
MC1596G features: (1)Core performance up to 400 MHz; (2)External bus performance up to 80 MHz; (3)120-pin LQFP package; (4)25 MHz crystal; (5)Analog Devices AD5258 TWI digital potentiometer; (6)Analog Devices ADP1715 low dropout linear regulator; (7)Numonyx M58WT032 – 4 MB (2M x 16 bits); (8)Analog Devices AD7266 2 MSPS, 12-bit, 3-channel SAR analog-to-digital converter; (9)Twelve single-ended inputs; (10)Six differential inputs; (11)Five LEDs: one board reset (red), three general-purpose (amber), and one power (green); (12)Three push buttons: one reset and two programmable flags with debounce logic.
Diagrams

![]() |
![]() MC1507 |
![]() Other |
![]() |
![]() Data Sheet |
![]() Negotiable |
|
||||||||||||
![]() |
![]() MC15-3-A |
![]() Condor / SL Power |
![]() Linear and Switching Power Supplies 15V @ 3A |
![]() Data Sheet |
![]()
|
|
||||||||||||
![]() |
![]() MC154K1C |
![]() AVX |
![]() Specialty Ceramic Capacitors CAP 100V .15 |
![]() Data Sheet |
![]() Negotiable |
|
||||||||||||
![]() |
![]() MC1558N |
![]() STMicroelectronics |
![]() Operational Amplifiers - Op Amps Hi PERFOM DUAL OP AMP |
![]() Data Sheet |
![]()
|
|
||||||||||||
![]() |
![]() MC1590G |
![]() Other |
![]() |
![]() Data Sheet |
![]() Negotiable |
|
||||||||||||
![]() |
![]() MC1595 |
![]() Other |
![]() |
![]() Data Sheet |
![]() Negotiable |
|
||||||||||||
(China (Mainland))










