Product Summary
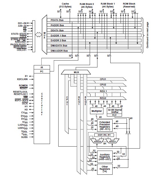
The SMJ320C40GFM40 digital signal processor (DSP) is 32-bit, floating-point processors manufactured in 0.72-μm, double-level metal CMOS technology. The SMJ320C40GFM40 is a part of the fourth-generation DSPs from Texas Instruments and is designed primarily for parallel processing. For additional information when designing for cold temperature operation, please see Texas Instruments application report 320C3x, 320C4x and 320MCM42x Power-up Sensitivity at Cold Temperature, literature number SGUA001.
Parametrics
SMJ320C40GFM40 absolute maximum ratings: (1)Supply voltage range, VDD: − 0.3 V to 7 V; (2)Input voltage range: − 0.3 V to 7 V; (3)Output voltage range: − 0.3 V to 7 V; (4)Operating case temperature range, TC (M version): − 55°C to 125°C, (S version): − 55°C to 100°C, (C version): − 25°C to 85°C, (L version): 0°C to 70°C; (5)Storage temperature range, Tstg: − 65°C to 150°C; (6)IOL Low-level output current: 2 mA; (7)CI Input capacitance: 15 pF; (8)CO Output capacitance: 15 pF.
Features
SMJ320C40GFM40 features: (1)Six Communications Ports; (2)6-Channel Direct Memory Access (DMA)Coprocessor; (3)Single-Cycle Conversion to and From IEEE-745 Floating-Point Format; (4)Single Cycle 1/x, 1/; (5)Source-Code Compatible With SMJ320C30; (6)Validated Ada Compiler; (7)Single-Cycle 40-Bit Floating-Point, 32-Bit Integer Multipliers; (8)12 40-Bit Registers, 8 Auxiliary Registers, 14 Control Registers, and 2 Timers; (9)Fabricated Using Enhanced Performance Implanted CMOS (EPIC)Technology by Texas Instruments (TI); (10)Separate Internal Program, Data, and DMA Coprocessor Buses for Support of Massive Concurrent Input/Output (I/O)of Program and Data Throughput, Maximizing Sustained Central Processing Unit (CPU)Performance.
Diagrams

![]() |
![]() SMJ320C25 |
![]() Other |
![]() |
![]() Data Sheet |
![]() Negotiable |
|
||||||
![]() |
![]() SMJ320C25-50 |
![]() Other |
![]() |
![]() Data Sheet |
![]() Negotiable |
|
||||||
![]() |
![]() SMJ320C30 |
![]() Other |
![]() |
![]() Data Sheet |
![]() Negotiable |
|
||||||
![]() |
![]() SMJ320C30GBM40 |
![]() Texas Instruments |
![]() Digital Signal Processors & Controllers (DSP, DSC) Digital Signal Proc |
![]() Data Sheet |
![]()
|
|
||||||
![]() |
![]() SMJ320C30KGDB |
![]() Other |
![]() |
![]() Data Sheet |
![]() Negotiable |
|
||||||
![]() |
![]() SMJ320C31 |
![]() Other |
![]() |
![]() Data Sheet |
![]() Negotiable |
|
||||||
(China (Mainland))








