Product Summary
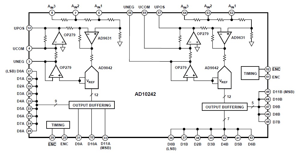
The AD10242TZ is a Dual, 12-Bit, 40 MSPS MCM A/D Converter with Analog Input Signal Conditioning. It includes onboard amplifiers, references, ADCs, and output buffering providing unsurpassed total system performance. Each channel is laser trimmed for gain and offset matching and provides channelto-channel crosstalk performance better than 80 dB. The AD10242TZ operates with ±5.0 V for the analog signal conditioning with a separate +5.0 V supply for the analog-to-digital conversion. The applications of the AD10242TZ include: Radar Processing, Communications Receivers, FLIR Processing, Secure Communications, Any I/Q Signal Processing Application.
Parametrics
AD10242TZ absolute maximum ratings: (1)VCC Voltage: 0 to 7 V; (2)VEE Voltage: –7 to 0 V; (3)Analog Input Voltage: VEE to VCC V; (4)Analog Input Current: –10 to +10 mA; (5)Digital Input Voltage (ENCODE): 0 to VCC V; (6)ENCODE, ENCODE Differential Voltage: 4 V; (7)Digital Output Current: –40 to +40 mA; (8)Operating Temperature (Case): –55 to +125 ℃; (9)Maximum Junction Temperature: +175 ℃; (10)Lead Temperature (Soldering, 10 sec): +300 ℃; (11)Storage Temperature Range (Ambient): –65 to +150 ℃.
Features
AD10242TZ features: (1)Two Matched ADCs with Input Signal Conditioning; (2)Selectable Bipolar Input Voltage Range(±0.5 V, ±1.0 V, ±2.0 V); (3)Full MIL-STD-883B Compliant; (4)80 dB Spurious-Free Dynamic Range; (5)Trimmed Channel-Channel Matching.
Diagrams

| Image | Part No | Mfg | Description | ![]() |
Pricing (USD) |
Quantity | ||||||||||||
|---|---|---|---|---|---|---|---|---|---|---|---|---|---|---|---|---|---|---|
![]() |
![]() AD10242TZ |
![]() |
![]() IC ADC DUAL 12BIT 68-CLCC |
![]() Data Sheet |
![]()
|
|
||||||||||||
| Image | Part No | Mfg | Description | ![]() |
Pricing (USD) |
Quantity | ||||||||||||
![]() |
![]() AD10 |
![]() Cooper Bussmann |
![]() Fuses 10A 550Vac250Vdc IND |
![]() Data Sheet |
![]()
|
|
||||||||||||
![]() |
![]() AD100-10-TO5I |
![]() Pacific Silicon Sensor |
![]() Photodiodes 500um active area APD chip w/ IR |
![]() Data Sheet |
![]()
|
|
||||||||||||
![]() |
![]() AD10048P3L-001 |
![]() Emerson / Astec Power |
![]() Plug-In AC Adapters 100W 48V 2.08A |
![]() Data Sheet |
![]() Negotiable |
|
||||||||||||
![]() |
![]() AD100-8-S1 |
![]() Pacific Silicon Sensor |
![]() Photodiodes AD100-8-S1 120-160V |
![]() Data Sheet |
![]()
|
|
||||||||||||
![]() |
![]() AD10200BZ |
![]() |
![]() IC ADC DUAL 12BIT 68-CLCC |
![]() Data Sheet |
![]()
|
|
||||||||||||
![]() |
![]() AD105A |
![]() AMPROBE |
![]() Clamp Multimeters & Accessories AC/DC CLAMP-ON METER 1000A TRMS |
![]() Data Sheet |
![]() Negotiable |
|
||||||||||||
(China (Mainland))













