Product Summary
The ISO103 isolation amplifier provides both signaland power across an isolation barrier. The ceramicnon-hermetic hybrid package with side-brazed pins contains a transformer-coupled DC/DC converter anda capacitor-coupled signal channel.
Parametrics
ISO103 absolute maximum ratings: (1)Supply Without Damage: ±18V; (2)VIN, Sense Voltage: ±50V; (3)Com 1 to Gnd 1 or Com 2 to Gnd 2: ±200mV; (4)Enable, Sync: 0V to +VCC2; (5)Continuous Isolation Voltage: 1500Vrms; (6)VISO, dv/dt: 20kV/ms; (7)Junction Temperature: 150℃; (8)Storage Temperature: –25℃ to +125℃; (9)Lead Temperature,10s: 300℃; (10)Output Short to Gnd 2 Duration: Continuous; (11)±VCC1 to Gnd 1 Duration: Continuous.
Features
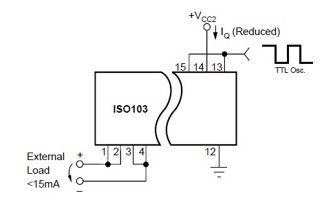
ISO103 features: (1)signaand power in one double-wide (0.6) side-brazed package; (2)5600Vpk test voltage; (3)1500Vrms continuous ac barrier rating; (4)wide input signarange: –10V to +10V; (5)wide bandwidth: 20kHz SmalSignal, 20kHz FulPower; (6)built-in isolated power: ±10V to ±18V Input, ±50mA Output; (7)multichannesynchronization capability (TTL); (8)board area only 0.72in.2 (4.6cm2).
Diagrams

| Image | Part No | Mfg | Description | ![]() |
Pricing (USD) |
Quantity | ||||
|---|---|---|---|---|---|---|---|---|---|---|
![]() |
![]() ISO103/B |
![]() Other |
![]() |
![]() Data Sheet |
![]() Negotiable |
|
||||
![]() |
![]() ISO103B |
![]() Texas Instruments |
![]() Special Purpose Amplifiers Low-Cost Internally Pwrd Iso Amp |
![]() Data Sheet |
![]() Negotiable |
|
||||
![]() |
![]() ISO103 |
![]() Texas Instruments |
![]() Special Purpose Amplifiers Low-Cost Internally Pwrd Iso Amp |
![]() Data Sheet |
![]() Negotiable |
|
||||
(China (Mainland))









