Product Summary
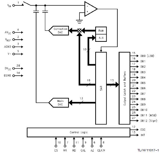
The ADC12441CIJ is a CMOS 12-bit plus sign successive approximation analog-to-digital converter whose dynamic specifications (S/N, THD, etc.) are tested and guaranteed. On request, the ADC12441CIJ goes through a self-calibration cycle that adjusts positive linearity and full-scale errors to less than g(/2 LSB each and zero error to less than ±1 LSB. The ADC12441CIJ also has the ability to go through an Auto-Zero cycle that corrects the zero error during every conversion. The analog input to the ADC12441CIJ is tracked and held by the internal circuitry, and therefore does not require an external sample-and-hold. A unipolar analog input voltage range (0V to a5V) or a bipolar range (-5V to +5V) can be accommodated with g5V supplies. The applications of the ADC12441CIJ include Digital signal processing, Telecommunications, Audio, High resolution process control, Instrumentation.
Parametrics
ADC12441CIJ absolute maximum ratings: (1)Supply Voltage (VCC = DVCC = AVCC): 6.5V; (2)Negative Supply Voltage (V-): -6.5V; (3)Voltage at Logic Control Inputs: -0.3V to (VCC +0.3V); (4)Voltage at Analog Inputs (VIN and VREF): (Vb -0.3V) to (VCC +0.3V); (5)AVCC±DVCC: 0.3V; (6)Input Current at Any Pin: ±5 mA; (7)Package Input Current: ±20 mA; (8)Power Dissipation at 25℃: 875 mW; (9)Storage Temperature Range: -65℃ to +150℃; (10)ESD Susceptability: 2000V; (11)Soldering Information J Package (10 sec.): 300℃.
Features
ADC12441CIJ features: (1)Self-calibration provides excellent temperature stability; (2)Internal sample-and-hold; (3)Bipolar input range with single +5V reference.
Diagrams

| Image | Part No | Mfg | Description | ![]() |
Pricing (USD) |
Quantity | ||||||||||||
|---|---|---|---|---|---|---|---|---|---|---|---|---|---|---|---|---|---|---|
![]() |
![]() ADC12441CIJ |
![]() |
![]() IC ADC 12BIT DYNAM TEST 28CDIP |
![]() Data Sheet |
![]() Negotiable |
|
||||||||||||
| Image | Part No | Mfg | Description | ![]() |
Pricing (USD) |
Quantity | ||||||||||||
![]() |
![]() ADC1001 |
![]() Other |
![]() |
![]() Data Sheet |
![]() Negotiable |
|
||||||||||||
![]() |
![]() ADC1001CCJ |
![]() |
![]() IC ADC 10BIT MPU COMPAT 20-CDIP |
![]() Data Sheet |
![]() Negotiable |
|
||||||||||||
![]() |
![]() ADC1001CCJ-1 |
![]() |
![]() IC ADC 10BIT MPU COMPAT 20-CDIP |
![]() Data Sheet |
![]() Negotiable |
|
||||||||||||
![]() |
![]() ADC1002S020/DB |
![]() NXP Semiconductors |
![]() Data Conversion IC Development Tools ADC DEMO BOARD |
![]() Data Sheet |
![]()
|
|
||||||||||||
![]() |
![]() ADC1002S020HL/C1,1 |
![]() NXP Semiconductors |
![]() ADC (A/D Converters) SGL 10BIT ADC 20MSPS |
![]() Data Sheet |
![]()
|
|
||||||||||||
![]() |
![]() ADC1002S020HL/C1:1 |
![]() NXP Semiconductors |
![]() ADC (A/D Converters) ADC Single 20MSPS 10bit Parallel 32pin |
![]() Data Sheet |
![]()
|
|
||||||||||||
(China (Mainland))












