Product Summary
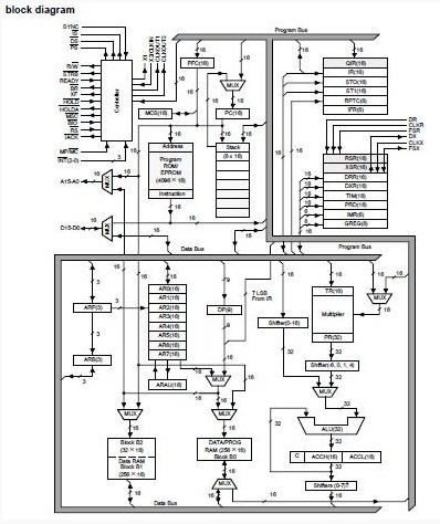
The SMJ320C31GFAM33 is a digital signal processor (DSP) device. The SMJ320C31GFAM33 supports a wide range of digital signal processing applications such as tactical communications, guidance, military modems, speech processing, spectrum analysis, audio processing, digital filtering, high-speed control, graphics, and other computation-intensive applications. The SMJ320C31GFAM33 has a 100-ns instruction cycle time. With these fast instruction cycle times and their innovative memory configurations, the device performs operations necessary for many real-time digital signal processing algorithms. Since most instructions require only one cycle, the SMJ320C31GFAM33 is capable of executing 12.5 million instructions per second.
Parametrics
SMJ320C31GFAM33 absolute maximum ratings: (1)Supply voltage, VCC: –0.3V to 7V; (2)Input voltage range: –0.3V to 7V; (3)Output voltage range: –0.3V to 7V; (4)Continuous power dissipation: 1.0W; (5)Storage temperature range: – 65℃ to 150℃.
Features
SMJ320C31GFAM33 features: (1)Military Temperature Range: –55 to 125℃; (2)100-ns or 80-ns Instruction Cycle Times; (3)544 Words of Programmable On-Chip Data RAM; (4)4K Words of On-Chip Program ROM; (5)128K Words of Data/Program Space; (6)16 Input and 16 Output Channels; (7)16-Bit Parallel Interface; (8)Directly Accessible External Data Memory Space: Global Data Memory Interface; (9)16-Bit Instruction and Data Words; (10)16 × 16-Bit Multiplier With a 32-Bit Product; (11)32-Bit ALU and Accumulator; (12)Single-Cycle Multiply/Accumulate Instructions; (13)0 to 16-Bit Scaling Shifter.
Diagrams

|  |  SMJ320C25 |  Other |  |  Data Sheet |  Negotiable |  | ||||||
|  |  SMJ320C25-50 |  Other |  |  Data Sheet |  Negotiable |  | ||||||
|  |  SMJ320C30 |  Other |  |  Data Sheet |  Negotiable |  | ||||||
|  |  SMJ320C30GBM40 |  Texas Instruments |  Digital Signal Processors & Controllers (DSP, DSC) Digital Signal Proc |  Data Sheet |  
 |  | ||||||
|  |  SMJ320C30KGDB |  Other |  |  Data Sheet |  Negotiable |  | ||||||
|  |  SMJ320C31 |  Other |  |  Data Sheet |  Negotiable |  | ||||||
 (China (Mainland))
 (China (Mainland)) 
                         
                        
 
                                    




